Iniciar sesión/Registrarse
Tu correo electrónico ha sido enviado.


Parte de la información se ha traducido automáticamente.
RESUMEN EJECUTIVO
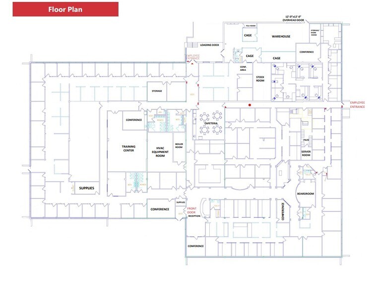
La propiedad es un edificio flexible y de oficinas de un solo piso que cubre aproximadamente 41,309 pies cuadrados, ubicado en un terreno pavimentado de acres con amplio estacionamiento. Incluye un almacén de 3,000 pies cuadrados con un techo transparente de 16 pies de altura y dos muelles de carga con plataforma. La propiedad se divide en zonas industriales ligeras (LI), cuenta con un sistema solar propio y ofrece un excelente acceso a las principales autopistas, como la I-287, las salidas 8 y 9, la ruta 22, la ruta 1, la autopista de peaje NJ Turnpike y la Garden State Parkway. Además, existe la posibilidad de expansión o remodelación.
INFORMACIÓN DEL EDIFICIO Bajo contrato
Tipo de venta
Inversión o usuario propietario
Tipo de inmueble
Oficina
Tamaño del edificio
3.838 m²
Clase de edificio
B
Año de construcción
1973
Alquiler
Único inquilino
Altura del edificio
1 planta
Tamaño de planta tipo
3.838 m²
Coeficiente de edificabilidad del edificio
0,19
Tamaño del terreno
2,02 ha
Zonificación
LI5 - Industria ligera
Parking
100 espacios (26,06 espacios por 1.000 m² alquilado)
CARACTERÍSTICAS DEL EDIFICIO
- Servicio de comidas
IMPUESTOS DEL INMUEBLE
| Número de terreno | 17-04001-0000-00005 | Evaluación de las mejoras | 222.189 € |
| Evaluación del terreno | 3.618.025 € | Evaluación total | 3.840.214 € |
IMPUESTOS DEL INMUEBLE
Número de terreno
17-04001-0000-00005
Evaluación del terreno
3.618.025 €
Evaluación de las mejoras
222.189 €
Evaluación total
3.840.214 €
1 de 3
VÍDEOS
MATTERPORT TOUR EXTERIOR EN 3D
MATTERPORT TOUR EN 3D
FOTOS
STREET VIEW
CALLE
MAPA
1 de 1
Elaborado por
281 Centennial Ave
¿Tienes cuenta con nosotros? Iniciar sesión
Parece que se ha producido un error al enviar tu mensaje. Vuelve a intentarlo.
Gracias. Se ha enviado tu mensaje.
